welcome to kaizen metals india
sma connector female   right angle

SMA Connector Female – Right Angle

The SMA Connector Female – Right Angle is an essential component for projects involving cellular devices, GPS systems, wireless modules, and RF equipment that require a dependable antenna connection.

Compact Right Angle Design

This connector features a 90° angled body, making it ideal for applications with limited space or when a straight connector isn’t practical. Its design simplifies prototyping and installation, ensuring secure and efficient connections even in tight or complex layouts.

Reliable Compatibility

Engineered to perfectly mate with standard SMA antennas, this connector ensures flawless compatibility and stable signal performance. The female socket pin is precisely aligned to deliver consistent transmission and minimal signal loss, providing reliable connectivity across applications.

Durable & High Quality

Built from premium materials with excellent craftsmanship, the SMA Connector Female – Right Angle is designed to endure frequent use while maintaining performance. Its sturdy construction guarantees long service life and dependable operation under demanding conditions.

Ideal Applications SMA Connector Female

  • Cellular and GPS devices

  • Wi-Fi, LTE, and IoT modules

  • PCB and RF assemblies

  • Wireless communication prototypes and projects

Key Features & Benefits of SMA Connector Female

  • Right Angle Design – Perfect for space-constrained environments where a straight connector won’t fit. Simplifies prototyping and installation in compact devices.

  • Secure Antenna Compatibility – Specifically engineered to mate seamlessly with standard SMA type antennas, ensuring a flawless fit and stable connection.

  • Reliable Signal Performance – Female socket contact designed for precise alignment, guaranteeing consistent signal transmission with minimal loss.

  • Durable Construction – Built with high-quality materials and superior craftsmanship, this connector offers long-lasting performance even under frequent use.

  • Versatile Applications – Ideal for cellular communication, GPS navigation, Wi-Fi, IoT devices, test equipment, and other RF/microwave systems.

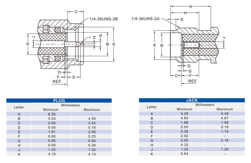
General Information

  • Connector Type: SMA (SubMiniature Version A)

  • Orientation: Right Angle (90°)

  • Gender: Female (threaded receptacle with socket contact)

  • Mounting Style: Cable mount / PCB mount (depending on version)

  • Coupling Mechanism: Threaded, 1/4”-36 UNS

Electrical Specifications

  • Impedance: 50 Ω

  • Frequency Range: DC to 18 GHz (precision versions up to 26.5 GHz)

  • VSWR:

    • ≤ 1.3 (DC–12.4 GHz)

    • ≤ 1.5 (up to 18 GHz)

  • Dielectric Withstanding Voltage: ≥ 1000 V RMS (at sea level)

  • Insulation Resistance: ≥ 5000 MΩ

  • Contact Resistance:

    • Center Contact: ≤ 6 mΩ

    • Outer Contact: ≤ 2 mΩ

sma connector female   right angle
sma connector female   right angle
sma connector female   right angle

Mechanical Specifications SMA Connector Female – Right Angle

  • Standard Compliance: MIL-STD-348 interface

  • Durability: ≥ 500 mating cycles

  • Coupling Nut Torque: 0.8–1.1 N·m

  • Body Style: Right angle, compact design for limited spaces


Material & Finish

  • Body: Brass or Stainless Steel

  • Plating: Gold or Nickel (corrosion-resistant)

  • Center Contact: Gold-plated brass or beryllium copper

  • Insulator: PTFE (low-loss dielectric)

  • Sealing/Gasket: Silicone rubber (in waterproof variants)

sma connector female   right angle

Environmental

  • Operating Temperature: –65 °C to +165 °C

  • Vibration: MIL-STD-202, Method 204

  • Humidity: MIL-STD-202, Method 106

  • Corrosion Resistance: MIL-STD-202, Method 101 (Salt Spray Test)

sma connector female   right angle

Applications

  • RF/Microwave communication devices

  • GPS, LTE, Wi-Fi, and Bluetooth antennas

  • Test & measurement equipment

  • PCB and cable assemblies

  • Aerospace, defense, and telecom systems

Sample Time: Available in 5-10 days for different items.

Drawing Format: CAD / PDF / DWG / IGS / STEP.

Packaging: Standard package, Carton box or Pallet, As per customized specifications

Shipping: DHL, FEDEX, UPS and By Sea or as per client’s requirements.

Any kind of SMA Connector Female – Right Angle can be developed and supplied exactly as per customer specifications.